How To Choose Three Phase Transformer Chart?
-
Three phase transformer chart supports industrial selection voltage mapping efficiency power planning in transformer engineering.
The three phase transformer chart plays a critical role in industrial power planning and system design. Engineers use it to match voltage levels and load behavior accurately. Proper selection improves operational stability across distribution networks. It also reduces energy loss in heavy duty environments. Modern factories depend on precise chart interpretation for system reliability. Incorrect selection may lead to overheating or voltage imbalance issues. Electrical designers evaluate multiple parameters before finalizing configurations. The three phase transformer chart supports structured decision making in complex grid systems.
Key Parameters in Three Phase Transformer Chart Selection
Selection begins with evaluation of voltage rating, current capacity, and frequency compatibility. Engineers also assess insulation class and cooling method. Load type strongly influences transformer performance outcomes. Continuous and peak load behavior must be analyzed carefully. Environmental conditions affect insulation aging and thermal stability. Short circuit strength determines safety under fault conditions. Mechanical design also impacts vibration resistance in operation. These factors together define how the three phase transformer chart is applied in real installations.
Core Electrical Ratings and Voltage Class Mapping
Electrical ratings define the foundation of transformer performance and system compatibility. Primary and secondary voltage levels must align with grid architecture. Load demand determines required kVA or MVA capacity. In high voltage networks, a 110 kv oil-immersed power transformer is often used for transmission stability. This type ensures insulation reliability under extreme electrical stress. Engineers also consider phase displacement and vector group configuration. Proper mapping avoids harmonics and reduces transmission loss. Accurate interpretation of the three phase transformer chart ensures balanced energy distribution.
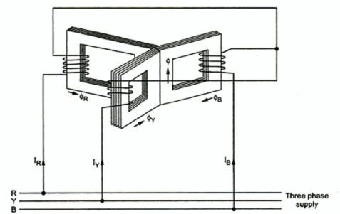
Voltage Mapping and Phase Configuration Analysis
Voltage mapping ensures correct integration between generation and consumption points. Phase shift angles influence synchronization in interconnected systems. Delta and star configurations serve different operational needs. Grid operators evaluate fault tolerance during configuration planning. Uneven loading can cause thermal imbalance across windings. Neutral grounding methods improve safety and fault response. Proper phase selection enhances system efficiency under variable load conditions. The three phase transformer chart simplifies comparison across different configuration options.
Impedance, Losses, and Efficiency Control Factors
Transformer impedance affects short circuit current levels and system stability. Copper losses occur due to winding resistance during load conditions. Core losses result from magnetic hysteresis and eddy currents.
Efficiency optimization requires balancing these loss components. Designers adjust conductor size and core material to reduce energy waste. Thermal performance directly influences long term operational cost. Proper impedance selection prevents excessive voltage drop in distribution lines. The three phase transformer chart provides structured evaluation for these technical parameters.
Cooling Methods and Thermal Management Strategies
Cooling systems maintain safe operating temperatures under heavy load. Oil natural air natural systems are common in medium voltage applications. Forced cooling improves heat dissipation in high capacity transformers. Thermal sensors monitor hotspot development inside windings. Proper oil circulation prevents insulation degradation over time. Ambient temperature also affects cooling efficiency performance. Engineers design cooling systems based on load cycle patterns. The three phase transformer chart helps match thermal design with electrical capacity requirements.
Winding Structure and Material Engineering Considerations
Winding design influences efficiency, durability, and fault resistance. Copper windings offer higher conductivity and better load handling. Aluminum windings reduce cost but require larger cross sectional area. Insulation paper quality affects dielectric strength significantly. Layered winding structures improve mechanical stability under stress. Magnetic core materials reduce hysteresis losses during operation. Mechanical clamping prevents deformation during short circuit events. Material selection directly impacts transformer lifespan and reliability.
Installation Standards and Grid Compliance Requirements
Installation must comply with IEC 60076 standards for power transformers. These standards define design, testing, and performance requirements for safe operation. IEEE C57 series also provides detailed guidelines for transformer construction and acceptance testing. Together, they ensure global interoperability and technical consistency across power networks. Safety clearances must follow IEC insulation coordination rules to prevent arc flash incidents. Grounding design should meet IEEE grounding practice requirements for fault current control. Oil containment systems must align with environmental protection regulations and IEC safety clauses. Testing procedures include IEC ratio verification, insulation resistance measurement, and IEEE load loss evaluation methods. Commissioning must follow structured energization steps defined in both standards. Proper adherence reduces operational risk and ensures long term grid reliability in industrial applications.
Industrial Application Scenarios and System Integration
Industrial networks rely on transformers for stable power distribution. Manufacturing plants require consistent voltage supply for automation systems. Mining operations demand high capacity and rugged electrical equipment. Data centers depend on uninterrupted power stability. Substations use multi level transformation stages for efficiency. A 66 kv oil-immersed power transformer is commonly applied in regional distribution networks. System integration requires careful load balancing across multiple feeders. The three phase transformer chart supports planning across these diverse applications.
Selection Parameter Comparison Table
| Parameter | Low Voltage Class | High Voltage Class |
|---|---|---|
| Voltage Range | 0.4 kV – 11 kV | 66 kV – 220 kV |
| Cooling Method | Natural Air | Forced Oil Circulation |
| Typical Application | Factories and Buildings | Transmission Substations |
This comparison table clarifies how voltage class affects transformer design priorities. Engineers use these distinctions to align equipment with operational environments. Lower voltage systems prioritize compact design and ease of maintenance. Higher voltage systems emphasize insulation strength and thermal control. The three phase transformer chart supports this classification process effectively. Proper interpretation reduces system mismatch risks significantly.
Operational Performance and Efficiency Evaluation Table
| Factor | Impact on Efficiency | Optimization Method |
|---|---|---|
| Core Material | Reduces hysteresis loss | Use grain oriented steel |
| Winding Resistance | Affects copper loss | Increase conductor cross section |
| Cooling System | Controls thermal stability | Forced oil cooling design |
Performance evaluation requires balancing electrical and thermal factors. Engineers adjust materials and structure to improve efficiency. Loss reduction directly improves lifecycle cost performance. Thermal stability ensures safe long term operation. The three phase transformer chart assists in identifying optimal configurations for efficiency targets.
FAQ
What is a three phase transformer chart used for in industry?
A three phase transformer chart is used for selecting and matching transformer specifications. It helps engineers compare voltage levels, capacity ratings, and configuration types. Industrial systems rely on it for stable power distribution design. It also supports safe integration of different grid levels.
Engineers reduce risk by using structured chart data during planning. Load compatibility and phase balance are evaluated using chart references. It improves accuracy in selecting equipment for complex electrical systems. Proper use ensures stable operation across industrial environments.
How do voltage ratings affect transformer selection accuracy?
Voltage ratings determine insulation strength and operational safety margins. Higher ratings require improved dielectric materials and cooling systems. Incorrect voltage matching may cause insulation breakdown or overheating. Engineers analyze primary and secondary voltage compatibility carefully. System efficiency depends on correct voltage alignment across networks. Overvoltage conditions reduce transformer lifespan significantly. Proper rating selection ensures stable long term performance. The three phase transformer chart provides structured voltage comparison for accurate selection.
What factors determine efficiency in transformer configuration choices?
Efficiency depends on core losses, copper losses, and cooling performance. Material selection plays a major role in reducing energy waste. Winding design influences electrical resistance and heat generation. Load behavior affects overall efficiency under operating conditions. Cooling systems maintain thermal stability during peak demand. Proper impedance selection reduces unnecessary power dissipation. Engineers optimize each parameter for balanced performance. The three phase transformer chart helps evaluate these efficiency factors systematically.
